半导体存储器

基础

操作

批注 2020-02-19 200914

批注 2020-02-19 201033

随机存取存储器

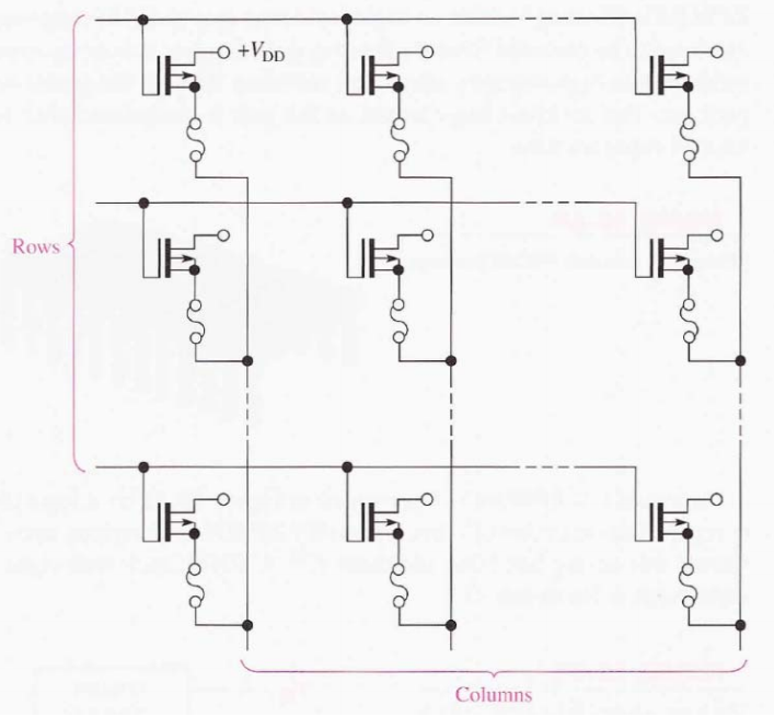
RAM的结构

批注 2020-02-19 202417

SRAM

Static Random Access Memory, SRAM

基本的SRAM阵列

批注 2020-02-19 202324

DRAM

Dynamic Random Access Memory, DRAM

SRAM vs. DRAM

只读存储器

ROM可以用来实现逻辑函数

ROM家族

批注 2020-02-19 203857

ROM存储单元

批注 2020-02-19 204125

ROM阵列

批注 2020-02-19 204221

可编程只读存储器 PROM

批注 2020-02-19 204504

可擦除可编程只读存储

Erasable Programmable Read Only Memory, EPROM

电子抹除式可编程只读存储器

Electrically-Erasable Programmable Read-Only Memory,EEPROM

快闪存储器 Flash Memory

存储器地址译码

RAM的二维译码结构

批注 2020-02-20 090525

一个64kDRAM的地址复用示意

批注 2020-02-20 091107

存储器扩展

批注 2020-01-30 190639

位扩展

批注 2020-02-20 091509

字扩展

批注 2020-02-20 091826